Aufgrund des Karfreitags ist unser Lager heute geschlossen. Aufgrund des Karfreitags ist unser Lager heute geschlossen.
Persönliche Beratung
Oase Gold Partner
100 Tage Bedenkzeit
Sicher im Nachhinein bezahlen
Persönliche Beratung
Kundendienst
Geöffnet von 10 bis 16 Uhr

Ersatzteile Oase Aquamax Eco 3500

aquamax3500 oase_aquamax_eco_3500_5500_8500
Produktname
Preis
Nummer
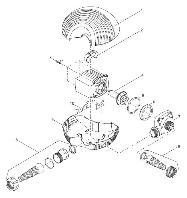
1 Filtergehäuseoberteil AquaMax 3500-8500 Lieferzeit 4-7 Werktage
25,30
2 Klemmfeder AquaMax Lieferzeit 4-7 Werktage
0,95
3 Ovalschraube V2A DIN 7985 M5 x 20 H Nicht mehr verfügbar
0,45
4 Ersatzrotor AquaMax Eco Classic 3500 Lieferzeit 4-7 Werktage
40,-
5 O-Ring NBR 60 x 2,5 SH70 A Auf Lager
0,65
6 Max Eco Montagering Lieferzeit 4-7 Werktage
5,10
7 Pumpengehäuse ersetzen Max 3500-5500 Auf Lager
22,60
8 Zubehörset AquaMax Start Eco Auf Lager
19,90
9 Bodenfilter AquaMax Lieferzeit 4-7 Werktage
17,30
10 Gummidistanzstück hinten EC mini Lieferzeit 4-7 Werktage
2,30
11 Gummipuffer vorne AquaMax Start Eco Lieferzeit 4-7 Werktage
1,15

Kostenloser Versand ab €75,-

Zahlen Sie nach Belieben, im Voraus oder im Nachhinein

100 Tage Bedenkzeit

Kunden geben uns 9/10

B2B
Unternehmen oder Gärtner?
Fragen Sie hier nach den Möglichkeiten
Vijverleven

Kompetente & persönliche Beratung

Kontaktieren Sie uns für eine Beratung oder Fragen, wir helfen Ihnen gerne weiter!

Beschreibung

Auf dieser Seite finden Sie die Oase Aquamax Eco 3500 Ersatzteile. Die Nummern in dieser Ersatzteilliste entsprechen der Ersatzteilzeichnung des Oase Aquamax Eco 3500. In der Ersatzteilliste finden Sie folgende Teile: Filtergehäuse oben Aquamax 3500 8500, Klemmfeder Aquamax, Schraube V2A DIN 7985 M5 x 20 H, Ersatzrotor Aquamax Eco Classic 3500, O-Ring NBR 60 x 25 SH70 A, Befestigungsring Max Eco, Ersatzpumpengehäuse Max 3500 5500, Zubehörset Aquamax Start Eco, Bodenfilter Aquamax, Gummidistanzstück hinten EC Mini, Gummipuffer vorne Aquamax Start Eco.

Kundenbewertungen

Customer Reviews

Be the first to write a review
0%
(0)
0%
(0)
0%
(0)
0%
(0)
0%
(0)

Das Produkt wurde in den Warenkorb gelegt

Weiter zur Bestellung
Weiter zur Bestellung
Vijverleven

Melden Sie sich für unseren Newsletter an

Erhalten Sie die besten Angebote und persönliche Beratung.

Cookie-Einstellungen

Um Ihnen einen besseren und persönlicheren Service zu bieten, verwenden wir Cookies und ähnliche Technologien. Wir und Dritte verwenden Cookies, um Ihr Surfverhalten auf unserer Website zu verfolgen. Weitere Informationen finden Sie in unserer Datenschutzerklärung.