Aufgrund des Karfreitags ist unser Lager heute geschlossen. Aufgrund des Karfreitags ist unser Lager heute geschlossen.
Persönliche Beratung
Oase Gold Partner
100 Tage Bedenkzeit
Sicher im Nachhinein bezahlen
Persönliche Beratung
Kundendienst
Geöffnet von 10 bis 16 Uhr

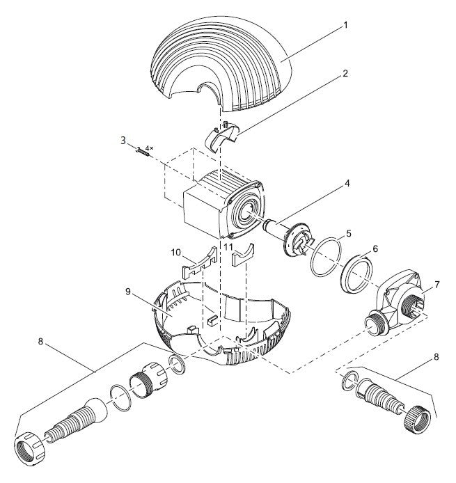
Ersatzteile Oase Aquamax Eco 5500

oase-aquamax-eco-5500 oase_aquamax_eco_3500_5500_8500_1
Produktname
Preis
Nummer
1 Ovalschraube V2A DIN 7985 M5 x 20 H Nicht mehr verfügbar
0,45
2 Gummipuffer vorne AquaMax Start Eco Lieferzeit 4-7 Werktage
1,15
3 Gummidistanzstück hinten EC mini Lieferzeit 4-7 Werktage
2,30
4 Ersatzrotor AquaMax Eco Classic 5500 Lieferzeit 4-7 Werktage
66,60
5 Zubehörset AquaMax Start Eco Auf Lager
19,90
6 Pumpengehäuse ersetzen Max 3500-5500 Auf Lager
22,60
7 Bodenfilter AquaMax Lieferzeit 4-7 Werktage
17,30
8 O-Ring NBR 60 x 2,5 SH70 A Auf Lager
0,65
9 Max Eco Montagering Lieferzeit 4-7 Werktage
5,10
10 Klemmfeder AquaMax Lieferzeit 4-7 Werktage
0,95
11 Filtergehäuseoberteil AquaMax 3500-8500 Lieferzeit 4-7 Werktage
25,30

Kostenloser Versand ab €75,-

Zahlen Sie nach Belieben, im Voraus oder im Nachhinein

100 Tage Bedenkzeit

Kunden geben uns 9/10

B2B
Unternehmen oder Gärtner?
Fragen Sie hier nach den Möglichkeiten
Vijverleven

Kompetente & persönliche Beratung

Kontaktieren Sie uns für eine Beratung oder Fragen, wir helfen Ihnen gerne weiter!

Beschreibung

Auf dieser Seite finden Sie die Oase Aquamax Eco 5500 Ersatzteile. Die Nummern in dieser Ersatzteilliste entsprechen der Ersatzteilzeichnung des Oase Aquamax Eco 5500. In der Ersatzteilliste finden Sie folgende Teile: Linsenschraube V2A DIN 7985 M5 x 20 H, Gummipuffer vorne Aquamax Start Eco, Gummidistanzstück hinten EC Mini, Ersatzrotor Aquamax Eco Classic 5500, Zubehörset Aquamax Start Eco, Ersatzpumpengehäuse Max 3500 5500, Filter unten Aquamax, O-Ring NBR 60 x 25 SH70 A, Montagering Max Eco, Klemmfeder Aquamax, Filtergehäuse oben Aquamax 3500 8500.

Kundenbewertungen

Customer Reviews

Be the first to write a review
0%
(0)
0%
(0)
0%
(0)
0%
(0)
0%
(0)

Das Produkt wurde in den Warenkorb gelegt

Weiter zur Bestellung
Weiter zur Bestellung
Vijverleven

Melden Sie sich für unseren Newsletter an

Erhalten Sie die besten Angebote und persönliche Beratung.

Cookie-Einstellungen

Um Ihnen einen besseren und persönlicheren Service zu bieten, verwenden wir Cookies und ähnliche Technologien. Wir und Dritte verwenden Cookies, um Ihr Surfverhalten auf unserer Website zu verfolgen. Weitere Informationen finden Sie in unserer Datenschutzerklärung.